反擊式破碎機電氣控制柜電氣原理簡述
反擊式破碎機需要電氣控制柜來操控設備的啟動和關閉,并且在維修時也需要控制柜電源的關閉控制,因此,電氣控制柜對于破碎設備是非常重要的配套設備,今天應前不久有個客戶需要這方面的資料,特分享一下恒源反擊式破碎機的電路控制原理圖,以便協助對方工作。以下分三部分簡述以下反擊破電氣控制柜的基本知識:
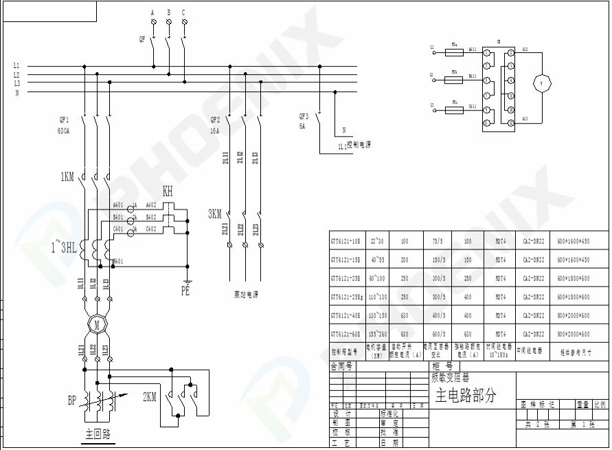
一、主電路部分
一、主電路部分
主電源由自動空氣開關QF提供,自動開關QF1提供主電機電源,QF2提供泵站電源,QF3提供控制回路電源,交流接觸器1KM、2KM、頻敏變阻器BP完成主電機的啟、停,3KM控制泵站電源。

圖一:反擊破主電路圖

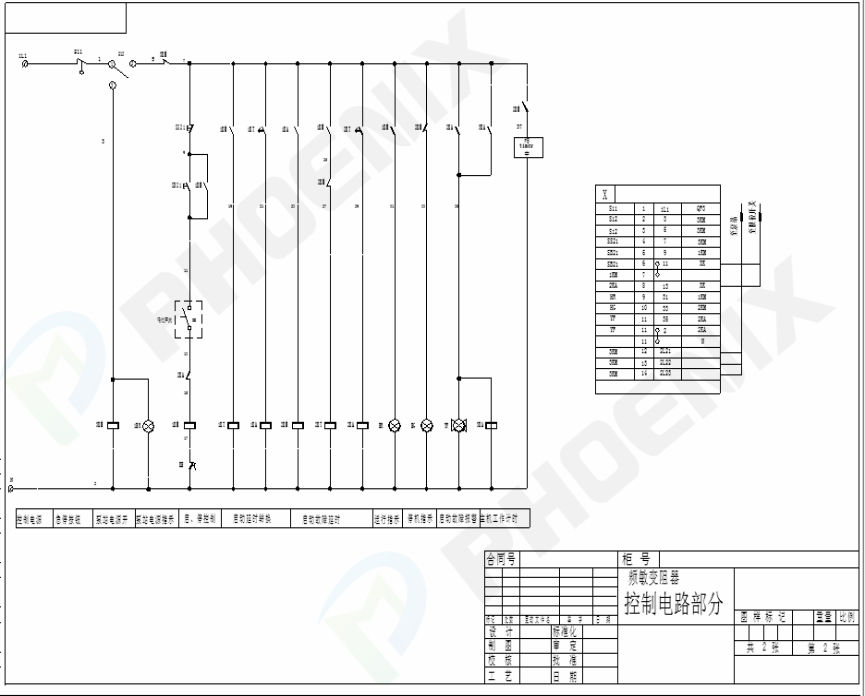
圖二:反擊式破碎機控制電路圖
二、控制柜電氣控制原理
1、啟動:當主設備在可運行狀態下,限位開關XK處于閉合位置,此時合上QF、QF1、QF3,把選擇開關S12旋至工作位置,綠色信號燈HG亮,按下啟動按鈕SB21,1KM得電并自鎖,主電機M在轉子接入頻敏變阻器BP的情況下啟動,并緩漫加速,同時時間繼電器1KT得電(1KT延時時間整定不能大于90秒),2KT得電(2KT延時時間大于1KT延時時間5~10秒),1KT延時時間到1KA得電、2KM得電,頻敏變阻器BP被切除,主電機M啟動結束進入正常工作;同時2KM得電斷開2KT,2KT結束延時計時,綠色信號燈HG熄滅,紅色信號燈HR亮,計時累加器time開始累計主機工作時間。
2、停機:按下停止按鈕SS21,1KM失電,1KT、1KA、2KM同時失電,主機M自由停機,緊急停止按鈕S11在緊急情況下便于操作。
3、保護:本電路設計得有過載、過流、短路保護,同時有啟動異常保護,以免燒毀頻敏變阻器,該保護由2KT、2KA完成,既:啟動時1KM叩合,1KT、2KT同時得電并開始延時,但1KT延時時間比2KT短(一般可調短5~10秒),如果啟動過程中1KT按時動作,但由于某種原因2KM未能吸合,頻敏變阻器BP處于超時工作達到2KT延時時間后,2KA得電吸合,其觸點2KA(13、15)斷開,1KM失電切斷電動機主回路,使頻敏變阻器BP退出工作狀態免于燒毀,同時2KA觸點(7、35)接通聲光報警器YF工作,說明啟動有啟動超時故障,應及時處理。

三、檢修注意事項
在主電機檢修時,必須斷開自動空氣開關QF1,合上QF2,將選擇開關S12旋至揭蓋位置,3KM得電,泵站電源接通,即可以進行揭蓋檢修,揭蓋后限位開關XK斷開,保證主電機不能啟動,檢修完畢后,合上蓋子,XK閉合,表示設備處于可運行狀態。
以上技術資料發布于中國大型破碎機、制砂機生產廠家:上海恒源冶金設備有限公司,轉載此文請注明文章來源。
以上技術資料發布于中國大型破碎機、制砂機生產廠家:上海恒源冶金設備有限公司,轉載此文請注明文章來源。
返回首頁
振動篩激振器問題排查解決策略
2025-01-01
制砂機生產的機制砂能否保證混凝土強度
2024-02-20
想不到建筑垃圾竟然有這么多變廢為寶的“特異功能”?
2019-08-25
成套砂石生產線需要多少錢?
2023-08-28
湖南時產300噸砂石生產線破碎制砂設備發貨回顧
2019-09-21
反擊式破碎機銷售實錄
2019-05-12
破碎設備廠家在發展潮流中逆勢而上
2019-05-10
建筑固廢垃圾變“城市礦山”,循環經濟前景廣闊
2019-08-26
破碎機械中處理鵝卵石的設備有哪些?
2019-05-10
制砂機分料盤更換方法和步驟,附圖詳解
2019-12-08
破碎機廠家表示破碎物料的粒度須符合設備的要求
2020-06-24
擺式磨粉機的維護和保養-產品連載介紹(5)
2019-12-18
機制砂生產線需要哪些破碎設備
2023-06-23
單缸圓錐破碎機現場實拍視頻
2020-05-17
金礦破碎生產線省錢秘密:從破碎機選型到尾水處理的全面優化指南
2025-04-27
碎石篩分聯合設備工藝流程簡介
2019-05-10
前4月規模以上工業企業利潤17628億,同比增10%
2019-05-12
甘肅金礦生產線設備安裝完畢即將投產
2021-04-22
時產1200噸碎石生產線工藝設計技術方案與說明
2020-01-16
上海恒源2020年元旦放假通知
2019-12-30