日產200噸鎂砂破碎生產線設備選型和技術方案
導讀:以下案列適用于日產200噸×2套成品鎂砂破碎生產線項目,包括高純鎂砂日產200噸破碎、電熔鎂砂日產200噸破碎項目的設備選型、技術方案、安裝、調試和驗收等方面的技術方案參考。
生產線標準:符合國家有關安全、環保等強制性標準
工作環境溫度:-35℃至40℃
原料技術條件:
產品指標要求:
除塵指標要求:煙氣含塵量《30mg/m3
公用設施的技術條件:
電源要求
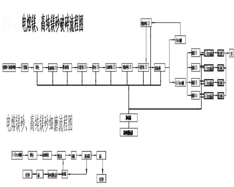
二、工藝流程圖(見圖一)

圖一:鎂砂破碎生產線流程圖
三、標準和規范
設備產品設計、制造、施工、試驗等按國家及行業頒布的現行標準、規程、規范及有關實施細則執行,包括但不限于:
JB/T3279-2005 復擺細碎顎式破碎機;
GB/T11352 一般工程用鑄造碳鋼件;
GB8923 涂裝前鋼材表面銹蝕等級和除銹等級;
HGJ229-91 包裝通用技術條件;
GB4208 外殼防護等級分類;
GB/T3766-2015 液壓系統通用技術條件;
GB/T3077—2015 金屬結構鋼;
GB699—2015 優質碳素鋼及技術條件;
GB/T5680-2010 高錳鋼鑄件技術條件;
GB/T13384—2008 機電產品包裝通用技術要求;
GB12348-2008 工業企業廠界環境噪聲排放標準;
JB/T4127.3-2011 機械密封產品驗收技術條件;
GB5033-2013 建筑安裝工程質量檢驗評定標準
GB50194-2014 建設工程施工現場供用電安全規定
GB50727-2011 工業設備、管道防腐蝕工程質量驗收規范
GB50236-2011 現場設備、工業管道焊接工程施工規范
GB150-2011 鋼制壓力容器
1)加注潤滑油的軸承箱應有放油閥,以便潤滑油的更換,組裝時應絕對保證軸承箱及主軸的清潔。
2)在所供設備的明顯部位訂裝牢固的304不銹鋼材質銘牌,銘牌至少包括下列內容:設備名稱、設備制造廠名稱和制造年月、設備編碼、設備型號、設備凈重等。
3)軸承選用品牌公司的正規產品。
4)各轉動件應轉動靈活,不得有卡阻現象,并應設有防護罩(所有皮帶傳動要配防護罩、電機連接的聯軸器處要配防護罩)。潤滑部分密封良好,不得有油滲漏現象,加油方便,設備出廠前軸承潤滑劑加滿并配帶加油嘴。
5)所有三角帶品牌選用品牌正規產品。
6)所有減速機采用硬齒面結構產品。
7)所有的皮帶選擇品牌公司產品。
8)所有現場箱體外殼采用304不銹鋼板材質,厚度≥2mm,采用下進、下出線方式,進出線帶PG接頭,防護等級:IP55??刂葡鋬H具有急停、本地、啟動、停止和狀態指示功能,箱內不設主令回路。柜內必須貼帶有保護膜的該回路的控制原理圖、電動機的編號、控制回路編號。柜內二次回路導線,電流回路不小于4mm的多股銅導線,控制回路不小于2.5mm的多股軟銅導線并壓接針線鼻、套機打號碼管,柜內導線絕緣等級為1000V。供貨范圍內電氣類元件(斷路器、接觸器、繼電器、速熔、變頻器、控制按鈕、指示燈)采用Siemens、ABB等品牌產品。
9)系統采用現場控制方式,包括所有電氣、儀表設備的控制,控制方式全部采用硬接線,不采用通訊。
10)低壓電動機技術要求:
10.1)每一臺電動機的設計與構造,必須與它所驅動設備的運行條件和維修要求一致。當頻率為額定值,且電源電壓與額定值的偏差不超過±5%時,電動機應能輸出額定功率。電動機的額定功率應不小于電動機所驅動設備長期連續運行所需的能力,其值至少應大于最大制動功率。電機額定功率按照重載驅動選型,即在運行過程中非正常停止后可帶料再啟動。
10.2)配套電機必須采用高效節能電機,并在交貨時提供國家機構的節能認證證書,符合《GB18613—2012中小型三相異步電動機能效限定值及能效等級標準》規定二級能效標準。電動機的防護等級IP55,絕緣等級為F級絕緣,溫升為B級,連續工作制S1,電機能過載20%正常使用。
10.3)電動機的接線盒應在電動機頂部,電機基座號大于280的接線盒應該比標準接線盒尺寸大一號,并帶金屬PG接頭(電纜密封接頭)。電動機的軸承結構應是密封的、能隔絕污物和水、并不使潤滑脂進入線圈。
10.4)軸承選用品牌系列軸承,并且軸承的使用壽命與電動機直連的軸承不少于100000小時。基座號160(含160)以上的電動機帶加油嘴和排油裝置,90kW及以上功率的電機在定子繞組B相中預埋PTC測溫,電動機的所有引線,都應接到各自的接線盒,并要求帶有適當的標記和識別符號。
10.5)電動機應有吊環或其它起吊設施,使電動機能夠簡便安全地起吊。定子外殼采用鑄鐵結構,具備有足夠的機械強度,以滿足振動、機組啟停和短路情況下的要求。定子外殼的設計考慮維護和檢修方便。定子的安裝和鐵心結構的設計上考慮減少倍頻振動的因素。
11)橋架技術要求:寬度600mm(包括600mm)以上的鋼板厚為3mm,采用加強型;寬度小于500mm(包括500mm)的鋼板厚均為2.5mm,廠方提供的電纜橋架必須保證其承載能力,所有的工字鋼立柱及托臂均需采用加強型,采用熱浸鋅工藝并滿足國標要求。
12)配套設備廠家:選擇低壓工頻電機廠家
2、設備規范
2.1 振動給料設備
1)振動篩篩體焊縫必須焊透。橫梁在垂直方向無拼接。篩框側板采用整板。篩框側板和后擋板、排料嘴及橫梁采用高強度螺栓或環槽鉚釘聯接。進料口部位設有16Mn襯板,避免物料直接沖擊篩網。
2)保證直線振動篩篩下漏斗強度,篩下漏斗采用8mm厚鋼板制作,篩下漏斗外部設置加強筋。
3)供貨設備進出料口配帶法蘭,內套管非金屬膨脹節軟連接(蒙皮),內外套管間距≮30mm。直線振動篩設置除塵點接口。
4)設備所有減震彈簧為60Si2Mn材質,連接緊固件8.8級。箱體密封材質選用聚四氟乙烯延展帶。
5)振動篩、振動給料機振動電機選擇品牌產品。

圖二:振動給料機
2.2 復擺顎式破碎機
1)電機需含電機調整底座、三角帶(包括皮帶罩、飛輪防護罩)。
2)顎板、護板等易損件更換應方便(顎板可對頭互換),調整裝置應靈活,顎板波峰厚度≥155mm,波谷厚度≥80mm。
3)軸承密封防塵裝置采用迷宮迷封,需潤滑的摩擦面應有防塵措施。設備軸承潤滑方式為手動干油潤滑。
4)破碎機的旋轉傳動部件配置安全防護裝置。設備有可靠的超載保險裝置,當破碎腔內掉進非破碎物或嚴重超載時,肘板折斷,能保護其他零件不致損壞。
5)破碎機品牌選擇:上海恒源冶金設備有限公司(山碎),江蘇菲尼克斯機械有限公司(菲尼克斯)。

圖四:復擺顎式破碎機
2.3 對輥破碎機
1)設備機蓋能方便開啟,設有密封嚴密的檢查門,便于檢修;各工作門、結合面的密封可靠,門軸轉動靈活,無向外漏粉、漏風現象。
2)破碎機齒板為燕尾齒板,采用高耐磨鉻鉬合金鋼材質整體精鑄,使用壽命不少于6000h。設備運行過程中,不堵料不粘料。齒板采用T型螺栓方式連接緊固。廠家提供專用齒板拆卸安裝工具。
3)軸承采用自動換油潤滑系統,對軸承同時進行潤滑保護,設備開始運行時自動給軸承加清潔干凈的潤滑油,同時將軸承中的含雜質的油脂通過排油孔排出。軸承座采用迷宮密封形式。破碎機設置碟簧閃退調節機構和剪切保護保險銷雙重保護裝置,避免超硬物料進入設備時損壞機器。

圖五:對輥破碎機
對輥破碎機(1)
對輥破碎機(2)
1)斗式提升機頭輪驅動帶逆止裝置;提升機軸承座采用剖分式、外置式軸承座獨立于殼外,帶骨架油封。
2)斗式提升機尾輪配重形式采用重錘式,配重塊由生產制造廠家提供。
3)設有斷裂檢測,卸料口裝有防回橡膠板。
4)提升機頭部設置檢修平臺,檢修空間不低于1m,防護欄高度不低于1.2m,并配帶維修架。
5)斗式提升機整機需具有良好的密封性能,在工作時不得有粉塵外漏現象。殼體連接處密封采用聚四氟乙烯帶密封。
6)斗式提升機的殼體設置檢修門(檢修門采用快開式),檢修門位置以樓板標高為基準抬高1m,要求兩側均應設置檢修門。
7)斗式提升機入料口及出料口需加入耐磨襯板材質16Mn。
8)提升機頭部、尾部預留收塵口。

圖六:斗式提升機
斗式提升機(2)
2.5 離心風機
1)采用聯軸器連接的風機,聯軸器處設置全封閉式鋼制保護罩,由不小于4mm薄板制作,該保護罩能將全部外露轉動部分覆蓋,當尺寸大于300mm應加兩道立筋;電機與風機放置在室外,需配置整體防雨罩。
2)對于風機殼體預留觀察孔或檢修孔的,必須使用四氟墊片進行密封,嚴禁漏風。
3)嚴格依據產品技術參數進行設備制造,因產品規格所限需要根據風機流量范圍配套風機的,風量指標應為參數的下限值,禁止將所供風機風量的最高上限值作為設備技術要求中的定值。
4)風機出口配套消音器;進、出口配備金屬膨脹節;出、入口風門選用手動型。
5)風機與電機連接方式采用直聯式,采用膜片式聯軸器,聯軸器處設置鋼制聯軸器保護罩,該保護罩是封閉式,且易拆裝。
6)軸盤材料選用鑄鐵;主軸材料選用45號鋼;側板厚度不小于5mm;蝸殼板厚度不小于4mm。

圖七:離心風機
離心風機(1)
2.6 除塵設備技術要求
1)除塵器出口含塵濃度≤30mg/m3。
2)布袋除塵器運行時每平方米過濾風速小于0.8m/min。
3)除塵器濾袋材質為覆膜滌綸三防針刺氈550g,布袋在保修期內失效率<0.5%,壽命期內失效率<1%。
4)殼體采用壓型板制作,材質選用Q235B,厚度不小于5mm,進出口管道配對法蘭厚度不小于12mm,進風口處設置導流板,保證氣流均勻分布?;ò宀捎玫吞间摪澹穸炔恍∮?mm。
5)脈沖閥要求采用進口產品(高原或ASCO),提供脈沖閥的規格、型號、技術參數。
6)除塵器本體配帶格式卸灰閥。
7)除塵器必須做泄露試驗。
8)灰斗壁厚規格為5mm,灰斗斜側壁與水平方向的交角要考慮物料的流動性,不能集料,每一灰斗應配備一個檢修用人孔。
9)袋龍縱筋φ3.8mm,加強反撐環φ4mm,間距200mm,φ160骨架縱筋數量為14條, φ130骨架縱筋數量為10條。
10)儲氣罐要求排污、排水和有安全閥。儲氣罐的報驗手續(含費用)由用戶負責。
11)除塵器滿足在線清灰、離線清灰、單獨倉室隔離檢修功能,不允許采用“箱式噴吹”的形式。進風閥為獨立結構,閥門采用法蘭連接。

圖八:脈沖除塵器
1)臺秤四角配有可調節304材質秤腳,調節高度約 1~15mm;稱體面板花紋鋼板厚度5mm;加強筋選用14#槽鋼。
2)配置高精度鋁合金專用稱重傳感器,傳感器選擇品牌廠家。
3)安全過載 150/%.FS;極限過載 200%.FS; 綜合誤差±0.02%.FS;工作溫度-30~+70℃;具有置零,扣重,計數,動物稱重功能和零位跟蹤功能。
4)顯示屏設計防水、防塵密封,嚴密灰塵介入。
5)儀表為交直流兩用型,帶可充電蓄電池,電瓶充足可連續使用不少于 20 小時。
6)帶有標準 RS232 接口,可以跟電腦通信,100%.FS 去皮,自動零點追蹤;IP65 五孔接線盒; 內置精密可調電路,用來調整每只傳感器之間的誤差。
7)就地顯示重量。
1)空氣炮開啟時間≤2秒;工作介質為壓縮空氣。
2)空氣炮本體及附屬設備設計承壓能力不低于1.0MPa。
3)噴吹管、球閥、高壓金屬軟管、對絲、耐熱噴嘴采用304不銹鋼材質。
4)噴吹管口應與倉筒內壁斜交(方向向下),滿足滿焊要求。
5)空氣炮設計排污口。
6)所有組件均應有匹配標記,并配備組件對準所需器具。
7)二位二通氣動閥應安裝在緊靠氣缸進口的進氣管上。
8)電磁閥應采用防水型二位二通電磁閥產品,并應具有防鹽霧腐蝕功能。

圖九:空氣炮
1)鋼絲繩懸掛式電纜必須以水平方向安裝,同時必須滿足從常溫到55℃的溫度變化引起的電纜變形。電纜采用耐高溫、阻燃型。
2)電動葫蘆起升和行走采用雙速電動機,實現快慢速,保證起吊重物平穩升降和平移。
3)控制方式為遙控手柄為主,36V安全操作電壓,操作手柄帶緊急停車按鈕,在發生緊急情況時能通過急停按鈕斷開總電源;手柄電纜采用高強度電纜。開關選型按照ICS≥50KA。
4)廠家提供的電動葫蘆是一套完整設備,具體包括運行機構和提升機構的電機、減速機以及殼體、卷筒、鋼絲繩和導繩器、吊鉤、控制系統和安全防護裝置等附件。
5)卷筒筒體:單聯卷筒16錳材料卷制,短軸連接,標準繩槽,帶導繩器,保證鋼絲繩規則的導入卷筒。鋼絲繩選擇防纏繞鍍鋅材料。吊鉤配帶保險鎖。
6)配備起升限位開關、兩端的緩沖橡膠塊、高速旋轉部位設安全防護罩。
2)磨機底座采用整體鑄造結構,提高磨機穩定性及使用壽命。
3)磨粉機磨輥采用手動干油潤滑。設備冷卻方式不采用水冷。
4)磨粉機主電機、選粉機電機采用變頻調節,主風機及除塵器配套風機電機不采用變頻調節。
5)選粉機采用動靜組合式選粉機,葉片采用耐磨材料。
6)收集系統旋風集粉器板厚要求5mm以上,蝸殼切向進風內壁加焊Mn16內襯。
7)除塵器及離心風機制作及供貨廠家參照2.5和2.6條例具體要求。

圖十:雷蒙磨粉機
客戶自己負責購買的材料包括:安裝、試驗、檢測、探傷以及設備、罐槽、膠及粘結劑、設備調整墊片、M8以下螺栓、油漆(防銹、防腐油漆、面漆)、電纜橋架、接地鍍鋅扁鐵、鍍鋅管、電纜針型鼻等。
電儀備件原則:備件應與設備上安裝的為相同型號,質保期內非甲方原因造成損壞的電氣、儀表設備(包括電機)由乙方免費更換。每2臺相同型號電動機備用1臺。
本次安裝范圍為成品破碎項目涉及到的設備安裝、管道敷設、電纜敷設、非標制作、防腐。主要包括主/輔機設備、工藝管道、電氣系統、油系統等及工程內的管道、閥門、橋架、支吊架、電纜敷設等附屬設備的安裝。
2、工藝設備相關
1)非標制作:包括設備鋼結構平臺、蓋板、料斗、溜槽、料倉、支吊架、防塵罩、防護裝置的制作安裝。
2)油系統:液壓油、變壓器油、潤滑站等油站的注油、濾油及濾材和化驗。
3)防腐:安裝范圍內的設備、鋼構件、管道(含地埋管)的除銹、油漆、防腐,安裝后的最后一道面漆或設備、管道補漆。
4)管道清理:壓縮空氣、水管道由乙方人員組織吹掃、沖洗、打壓試驗、解列和恢復。
5)設備、管道、電纜管的穿墻、開溝、回填、樓板孔的開鑿、路面破除屬安裝范圍之內(遵循誰使用,誰開孔;誰開孔,誰封堵的原則)。
6)本項目的水、電、壓縮空氣、電纜橋架等銜接都在安裝范圍內。
7)壓力容器和壓力管道開工許可、監檢和使用證的取得(含費用)全部在安裝范圍內。
8)設備基礎一、二次灌漿均不在本次安裝范圍內,設備具備灌漿條件后用戶書面通知廠方,用戶技術人員監督灌漿工作并驗收。
9)設備操作、檢修、工藝管道上操作需要的鋼平臺及土建圖紙范圍內的鋼平臺包含在安裝范圍內(除混凝土結構上的欄桿、混凝土結構至混凝土結構的樓梯不在本次安裝范圍內)。
3、性能指標
3.1 產量指標:本項目為兩條相同工藝路線和設備,依據作業時間12h/天,每條生產線產量200噸/天,穩定運行;
3.2 產品粒徑滿足尺寸要求;
3.3 除塵器尾氣含塵量≤30mg/m3。
4、性能測試程序
測試分析方法和程序為:在系統試運行和以后的正常生產中,雙方建立一套雙方都接受的工作程序記錄和所有相關的操作和檢驗數據記錄。在此期間,當記錄表明試運行的生產能力已達到要求,且已連續了72h,同時產品規格、尾氣含塵量都已達到本技術協議規定,即認為施工方已達到指標。
5、性能考核(兩條生產線分別以電熔鎂砂、高純鎂砂作為性能考核用原料)
5.1 如果在考核期內裝置系統不能達到產能指標400t/d(200t/d×2套)的要求,那么用戶將按以下比率進行考核:
6、布袋除塵器排放的尾氣含塵量≤30mg/m3,尾氣含塵量每高于5mg/m3扣除合同額的1%,以此類推。
本文原創來源:上海恒源冶金設備有限公司官方網站www.zkfg.net.cn,轉載請注明文章出處!
上海恒源冶金設備有限公司自成立以來,一直專注于砂石生產線設備的研發、生產與銷售,公司主營產品有破碎、制砂、磨粉、輸送篩分設備及其配套備件等。位于江蘇啟東濱海工業園區的六萬平米大型礦機生產基地,具備先進的數控加工設備和產品質檢檢測儀器,設備精度高、速度快,具有較強的生產能力,歡迎廣大客戶前來實地工廠考察或官網咨詢,期待能與您長期合作,一起攜手共贏!
歡迎新老客戶致電,預約參觀,我們將為您提供完善的碎石、制砂、礦石生產線成套設備解決方案,讓專業的人做專業的事,讓您我一起攜手,共贏未來!
一、鎂砂生產線技術參數
產量:200噸/日生產線標準:符合國家有關安全、環保等強制性標準
工作環境溫度:-35℃至40℃
原料技術條件:
物料名稱 | 進料粒度 | 體積密度 | 莫氏硬度 | 堆積角 |
高純鎂砂 | 25mm*20mm*12mm杏仁狀球 | 3.30-3.35g/cm³ | 4--6 | 約44° |
電熔鎂砂 | <150mm | >3.5g/cm³ | 4--6 | 約45° |
產品指標要求:
產品名稱 | 粒徑(一) | 粒徑(二) | 粒徑(三) | 粒徑(四) | 粒徑(五) |
高純鎂砂 | 200目 | 0-1mm | 1-3mm | 3-5mm | 5-8mm |
電熔鎂砂 | 200目 | 0-1mm | 1-3mm | 3-5mm | 5-8mm |
除塵指標要求:煙氣含塵量《30mg/m3
公用設施的技術條件:
電源要求
名稱 | 特征值 |
高壓 | AC 10.5kV, 50Hz |
低壓 | AC 380V, 三相, 50Hz |
AC 220V, 單相, 50Hz | |
照明 | AC 220V, 單相, 50Hz |
二、工藝流程圖(見圖一)

圖一:鎂砂破碎生產線流程圖
三、標準和規范
設備產品設計、制造、施工、試驗等按國家及行業頒布的現行標準、規程、規范及有關實施細則執行,包括但不限于:
JB/T3279-2005 復擺細碎顎式破碎機;
GB/T11352 一般工程用鑄造碳鋼件;
GB8923 涂裝前鋼材表面銹蝕等級和除銹等級;
HGJ229-91 包裝通用技術條件;
GB4208 外殼防護等級分類;
GB/T3766-2015 液壓系統通用技術條件;
GB/T3077—2015 金屬結構鋼;
GB699—2015 優質碳素鋼及技術條件;
GB/T5680-2010 高錳鋼鑄件技術條件;
GB/T13384—2008 機電產品包裝通用技術要求;
GB12348-2008 工業企業廠界環境噪聲排放標準;
JB/T4127.3-2011 機械密封產品驗收技術條件;
GB5033-2013 建筑安裝工程質量檢驗評定標準
GB50194-2014 建設工程施工現場供用電安全規定
GB50727-2011 工業設備、管道防腐蝕工程質量驗收規范
GB50236-2011 現場設備、工業管道焊接工程施工規范
GB150-2011 鋼制壓力容器
四、技術要求
1、總體要求1)加注潤滑油的軸承箱應有放油閥,以便潤滑油的更換,組裝時應絕對保證軸承箱及主軸的清潔。
2)在所供設備的明顯部位訂裝牢固的304不銹鋼材質銘牌,銘牌至少包括下列內容:設備名稱、設備制造廠名稱和制造年月、設備編碼、設備型號、設備凈重等。
3)軸承選用品牌公司的正規產品。
4)各轉動件應轉動靈活,不得有卡阻現象,并應設有防護罩(所有皮帶傳動要配防護罩、電機連接的聯軸器處要配防護罩)。潤滑部分密封良好,不得有油滲漏現象,加油方便,設備出廠前軸承潤滑劑加滿并配帶加油嘴。
5)所有三角帶品牌選用品牌正規產品。
6)所有減速機采用硬齒面結構產品。
7)所有的皮帶選擇品牌公司產品。
8)所有現場箱體外殼采用304不銹鋼板材質,厚度≥2mm,采用下進、下出線方式,進出線帶PG接頭,防護等級:IP55??刂葡鋬H具有急停、本地、啟動、停止和狀態指示功能,箱內不設主令回路。柜內必須貼帶有保護膜的該回路的控制原理圖、電動機的編號、控制回路編號。柜內二次回路導線,電流回路不小于4mm的多股銅導線,控制回路不小于2.5mm的多股軟銅導線并壓接針線鼻、套機打號碼管,柜內導線絕緣等級為1000V。供貨范圍內電氣類元件(斷路器、接觸器、繼電器、速熔、變頻器、控制按鈕、指示燈)采用Siemens、ABB等品牌產品。
9)系統采用現場控制方式,包括所有電氣、儀表設備的控制,控制方式全部采用硬接線,不采用通訊。
10)低壓電動機技術要求:
10.1)每一臺電動機的設計與構造,必須與它所驅動設備的運行條件和維修要求一致。當頻率為額定值,且電源電壓與額定值的偏差不超過±5%時,電動機應能輸出額定功率。電動機的額定功率應不小于電動機所驅動設備長期連續運行所需的能力,其值至少應大于最大制動功率。電機額定功率按照重載驅動選型,即在運行過程中非正常停止后可帶料再啟動。
10.2)配套電機必須采用高效節能電機,并在交貨時提供國家機構的節能認證證書,符合《GB18613—2012中小型三相異步電動機能效限定值及能效等級標準》規定二級能效標準。電動機的防護等級IP55,絕緣等級為F級絕緣,溫升為B級,連續工作制S1,電機能過載20%正常使用。
10.3)電動機的接線盒應在電動機頂部,電機基座號大于280的接線盒應該比標準接線盒尺寸大一號,并帶金屬PG接頭(電纜密封接頭)。電動機的軸承結構應是密封的、能隔絕污物和水、并不使潤滑脂進入線圈。
10.4)軸承選用品牌系列軸承,并且軸承的使用壽命與電動機直連的軸承不少于100000小時。基座號160(含160)以上的電動機帶加油嘴和排油裝置,90kW及以上功率的電機在定子繞組B相中預埋PTC測溫,電動機的所有引線,都應接到各自的接線盒,并要求帶有適當的標記和識別符號。
10.5)電動機應有吊環或其它起吊設施,使電動機能夠簡便安全地起吊。定子外殼采用鑄鐵結構,具備有足夠的機械強度,以滿足振動、機組啟停和短路情況下的要求。定子外殼的設計考慮維護和檢修方便。定子的安裝和鐵心結構的設計上考慮減少倍頻振動的因素。
11)橋架技術要求:寬度600mm(包括600mm)以上的鋼板厚為3mm,采用加強型;寬度小于500mm(包括500mm)的鋼板厚均為2.5mm,廠方提供的電纜橋架必須保證其承載能力,所有的工字鋼立柱及托臂均需采用加強型,采用熱浸鋅工藝并滿足國標要求。
12)配套設備廠家:選擇低壓工頻電機廠家
2、設備規范
2.1 振動給料設備
1)振動篩篩體焊縫必須焊透。橫梁在垂直方向無拼接。篩框側板采用整板。篩框側板和后擋板、排料嘴及橫梁采用高強度螺栓或環槽鉚釘聯接。進料口部位設有16Mn襯板,避免物料直接沖擊篩網。
2)保證直線振動篩篩下漏斗強度,篩下漏斗采用8mm厚鋼板制作,篩下漏斗外部設置加強筋。
3)供貨設備進出料口配帶法蘭,內套管非金屬膨脹節軟連接(蒙皮),內外套管間距≮30mm。直線振動篩設置除塵點接口。
4)設備所有減震彈簧為60Si2Mn材質,連接緊固件8.8級。箱體密封材質選用聚四氟乙烯延展帶。
5)振動篩、振動給料機振動電機選擇品牌產品。

圖二:振動給料機
振動給料機(1)
項目 | 特征值 | 備注 |
使用位置 | 進料倉下部 | |
設備數量 | 2臺 | |
型號及名稱 | GZGF90-140 | 帶密封罩 |
安裝傾角 | 10° | |
給料粒度(mm) |
(1)電熔鎂:<150mm,堆積密度:2.5t/m3; (2)高純鎂:25mm*20mm*12mm杏仁狀,堆積密度:2.5t/m3 |
|
處理量(t/h) | 0-17t/h(臺) | |
進料口尺寸 | 槽體寬度900mm,長度1400mm | |
槽體材質/厚度(mm) | Q235B/10 | |
耐磨襯板材質/厚度(mm) | 16Mn/8 | |
單臺設備運行功率(kw) | 2X0.75kw | 工頻 |
單臺設備電機功率(kw) | 2X1.1kw |
振動給料機(2)
項目 | 特征值 | 備注 |
使用位置 | 緩沖倉下部 | |
設備數量 | 2臺 | |
型號及名稱 | GZGF50-110 | 帶密封罩 |
安裝傾角 | 10° | |
給料粒度(mm) | 電熔鎂砂和高純鎂砂<35mm,堆積密度:2.5t/m3 | |
處理量(t/h) | 0-17t/h(臺) | |
進料口尺寸 | 槽體寬度500mm,長度1100mm | |
槽體材質/厚度(mm) | Q235B/10 | |
耐磨襯板材質/厚度(mm) | 16Mn/8 | |
單臺設備運行功率(kw) | 2X0.37kw | 工頻 |
單臺設備電機功率(kw) | 2X0.55kw |
直線振動篩(1)
項目 | 特征值 | 備注 |
使用位置 | 第二道斗式提升機后側 | |
設備數量 | 2臺 | |
型號及名稱 | 1530單層直線振動篩 | |
物料名稱 | 電熔鎂砂和高純鎂砂,堆積密度:2.5t/m³ | |
安裝型式 | 座式安裝 | |
安裝傾角 | 10° | |
入料粒度(mm) | >8mm | |
篩下粒度(mm) | 0-8mm | |
處理量(t/h) | 0-35 | |
篩面、篩孔 | 1層,8*8mm | |
篩網材質 | 錳鋼絲編織,絲徑不小于2.5mm | |
篩箱材質/厚度(mm) | Q235B/10,篩體密封帶除塵口 | |
振動器 | 振動電機 | |
是否配套防塵密封罩 | 是 | |
是否配套篩上漏斗 | 是 | |
單臺設備運行功率(kw) | 2X3.7kw | 工頻 |
單臺設備電機功率(kw) | 2X4.5kw |
圖三:直線振動篩
旋振篩(1)
項目 | 特征值 | 備注 |
使用位置 | 直線振動篩下部 | |
設備數量 | 8臺 | |
型號及名稱 | Φ2000mm三層旋振篩 | |
物料名稱 | 電熔鎂砂和高純鎂砂,堆積密度2.2t/m³ | |
安裝型式 | 座式 | |
入料粒度(mm) | 0-8mm | |
篩下粒度(mm) | 0-1mm;1-3mm;3-5mm;5-8mm | |
處理量(t/h) | 5/臺 | |
篩面層數 | 3層,1*1mm;3*3mm;5*5mm | |
篩網材質 | 錳鋼絲編織,絲徑不小于2.5mm | |
篩箱材質/厚度(mm) | Q235B/10,物料出料口分布在篩體同側 | |
振動器 | 偏心激振器 | |
是否配套防塵密封罩 | 是 | |
是否配套篩上漏斗 | 是 | |
是否配套篩下漏斗 | 是 | |
單臺設備運行功率(kw) | 3kw | |
單臺設備電機功率(kw) | 4kw |
2.2 復擺顎式破碎機
1)電機需含電機調整底座、三角帶(包括皮帶罩、飛輪防護罩)。
2)顎板、護板等易損件更換應方便(顎板可對頭互換),調整裝置應靈活,顎板波峰厚度≥155mm,波谷厚度≥80mm。
3)軸承密封防塵裝置采用迷宮迷封,需潤滑的摩擦面應有防塵措施。設備軸承潤滑方式為手動干油潤滑。
4)破碎機的旋轉傳動部件配置安全防護裝置。設備有可靠的超載保險裝置,當破碎腔內掉進非破碎物或嚴重超載時,肘板折斷,能保護其他零件不致損壞。
5)破碎機品牌選擇:上海恒源冶金設備有限公司(山碎),江蘇菲尼克斯機械有限公司(菲尼克斯)。
復擺顎式破碎機(1)
項目 | 特性值 | 備注 |
使用位置 | 振動給料機(1)下部 | |
設備數量 | 2臺 | |
進料口尺寸 | 1000×250mm | |
排礦口調整范圍 | 20-55mm | |
重量(不含電機) | 6T | |
處理能力 | 17t/h | |
給料粒度 |
(1)電熔鎂:<150mm,堆積密度:2.5t/m3; (2)高純鎂:25mm*20mm*12mm杏仁狀,堆積密度:2.5t/m3 |
|
排礦粒度 | ≤35mm | |
機架 | 鑄鋼35,整體鑄造 | |
拉桿 | Q235 | |
動顎襯板 | ZGMn13Cr2 | |
定顎襯板 | ZGMn13Cr2 | |
主軸材質 | 42CrMo | |
變頻電機軸功率kw | 22-30KW | |
變頻電機功率kw |

圖四:復擺顎式破碎機
1)設備機蓋能方便開啟,設有密封嚴密的檢查門,便于檢修;各工作門、結合面的密封可靠,門軸轉動靈活,無向外漏粉、漏風現象。
2)破碎機齒板為燕尾齒板,采用高耐磨鉻鉬合金鋼材質整體精鑄,使用壽命不少于6000h。設備運行過程中,不堵料不粘料。齒板采用T型螺栓方式連接緊固。廠家提供專用齒板拆卸安裝工具。
3)軸承采用自動換油潤滑系統,對軸承同時進行潤滑保護,設備開始運行時自動給軸承加清潔干凈的潤滑油,同時將軸承中的含雜質的油脂通過排油孔排出。軸承座采用迷宮密封形式。破碎機設置碟簧閃退調節機構和剪切保護保險銷雙重保護裝置,避免超硬物料進入設備時損壞機器。

圖五:對輥破碎機
對輥破碎機(1)
項目 | 特性值 | 備注 |
使用位置 | 第一道斗式提升機后側、直線振動篩后側 | |
設備數量 | 2臺 | |
規格型號 | 750*500 | |
入料粒度mm | <35mm,電熔鎂、氧化鎂砂堆積密度:2.5t/m³ | |
排礦粒度mm | 8mm含量>70% | |
調整范圍mm | 0-15mm | |
重量(不含電機) | 5.7噸 | |
處理能力 | 17t/h | |
輥子轉速 | 80r/min | |
輥筒 | 輥筒直徑750mm,輥筒長度500mm | |
線速度 | 13.5M/S | |
齒板塊數 | 24塊,65kg/塊 | |
連接方式 | 皮帶 | |
電機軸功率kw | 定頻 | |
電機功率kw | 37kw*2/臺 |
對輥破碎機(2)
項目 | 特性值 | 備注 |
使用位置 | 直線振動篩后側 | |
設備數量 | 2臺 | |
規格型號 | 600*400 | |
入料粒度mm | <35mm,電熔鎂、氧化鎂砂堆積密度:2.5t/m³ | |
排礦粒度mm | <8mm | |
調整范圍mm | 0-15mm | |
重量(不含電機) | 3.8t | |
處理能力 | 12t/h | |
輥子轉速 | 88r/min | |
輥筒 | 輥筒直徑600mm,輥筒長度400mm | |
線速度 | 13.5M/S | |
齒板塊數 | 24塊,65kg/塊 | |
連接方式 | 皮帶 | |
電機軸功率kw | 定頻 | |
電機功率kw | 15kw*2/臺 |
2.4 斗式提升機
1)斗式提升機頭輪驅動帶逆止裝置;提升機軸承座采用剖分式、外置式軸承座獨立于殼外,帶骨架油封。2)斗式提升機尾輪配重形式采用重錘式,配重塊由生產制造廠家提供。
3)設有斷裂檢測,卸料口裝有防回橡膠板。
4)提升機頭部設置檢修平臺,檢修空間不低于1m,防護欄高度不低于1.2m,并配帶維修架。
5)斗式提升機整機需具有良好的密封性能,在工作時不得有粉塵外漏現象。殼體連接處密封采用聚四氟乙烯帶密封。
6)斗式提升機的殼體設置檢修門(檢修門采用快開式),檢修門位置以樓板標高為基準抬高1m,要求兩側均應設置檢修門。
7)斗式提升機入料口及出料口需加入耐磨襯板材質16Mn。
8)提升機頭部、尾部預留收塵口。

圖六:斗式提升機
斗式提升機(1)
項目 | 特性值 | 備注 |
使用位置 | 顎式破碎機后側 | |
設備數量 | 2臺 | |
規格型號 | TD315斗式提升機(左裝、右裝各一臺) | |
卸載方式 | 混合 | |
電機功率 | 11KW | 工頻 |
電機軸功率 | 7.5KW | |
輸送量 | 17t/h(臺) | |
提升高度 | 提升上下軸間距C=14.4m | |
物料名稱 |
(1)電熔鎂砂:0-35mm,堆積密度:2.5t/m3; (2)高純鎂砂:0-25mm,堆積密度:2.5t/m3 |
|
傳動形式 | YY型 | |
斗速 | 1.6m/s | |
箱體板厚 | 4mm | |
斗容 | 3.55L | |
皮帶厚度 | 15mm |
斗式提升機(2)
項目 | 特性值 | 備注 |
使用位置 | 第一道對輥式破碎機后側 | |
設備數量 | 2臺 | |
規格型號 | TD315斗式提升機(左裝、右裝各一臺) | |
卸載方式 | 混合 | |
電機功率 | 18.5KW | 工頻 |
電機軸功率 | 11KW | |
輸送量 | 35t/h(臺) | |
提升高度 | 提升上下軸間距C=22.4m | |
物料名稱 |
(1)電熔鎂:0-35mm,堆積密度:2.5t/m3; (2)高純鎂:0-35mm,堆積密度:2.5t/m3 |
|
傳動形式 | YY型 | |
斗速 | 1.6m/s | |
箱體板厚 | 4mm | |
斗容 | 3.55L | |
皮帶厚度 | 15mm |
2.5 離心風機
1)采用聯軸器連接的風機,聯軸器處設置全封閉式鋼制保護罩,由不小于4mm薄板制作,該保護罩能將全部外露轉動部分覆蓋,當尺寸大于300mm應加兩道立筋;電機與風機放置在室外,需配置整體防雨罩。
2)對于風機殼體預留觀察孔或檢修孔的,必須使用四氟墊片進行密封,嚴禁漏風。
3)嚴格依據產品技術參數進行設備制造,因產品規格所限需要根據風機流量范圍配套風機的,風量指標應為參數的下限值,禁止將所供風機風量的最高上限值作為設備技術要求中的定值。
4)風機出口配套消音器;進、出口配備金屬膨脹節;出、入口風門選用手動型。
5)風機與電機連接方式采用直聯式,采用膜片式聯軸器,聯軸器處設置鋼制聯軸器保護罩,該保護罩是封閉式,且易拆裝。
6)軸盤材料選用鑄鐵;主軸材料選用45號鋼;側板厚度不小于5mm;蝸殼板厚度不小于4mm。

圖七:離心風機
離心風機(1)
項目 | 特征值 | 備注 | |
使用位置 | 主除塵器配套風機 | ||
設備數量 | 2臺 | ||
規格型號 | 4-72-8C | ||
旋向角度 | |||
主軸轉速 | 1800 | ||
電機功率 | 30kw | ||
電機軸功率 | 22kw | ||
風機流量 | 20000-24000 | ||
風機全壓 | 2800pa | ||
工頻電機 | 轉速 | ||
功率 |
2.6 除塵設備技術要求
1)除塵器出口含塵濃度≤30mg/m3。
2)布袋除塵器運行時每平方米過濾風速小于0.8m/min。
3)除塵器濾袋材質為覆膜滌綸三防針刺氈550g,布袋在保修期內失效率<0.5%,壽命期內失效率<1%。
4)殼體采用壓型板制作,材質選用Q235B,厚度不小于5mm,進出口管道配對法蘭厚度不小于12mm,進風口處設置導流板,保證氣流均勻分布?;ò宀捎玫吞间摪澹穸炔恍∮?mm。
5)脈沖閥要求采用進口產品(高原或ASCO),提供脈沖閥的規格、型號、技術參數。
6)除塵器本體配帶格式卸灰閥。
7)除塵器必須做泄露試驗。
8)灰斗壁厚規格為5mm,灰斗斜側壁與水平方向的交角要考慮物料的流動性,不能集料,每一灰斗應配備一個檢修用人孔。
9)袋龍縱筋φ3.8mm,加強反撐環φ4mm,間距200mm,φ160骨架縱筋數量為14條, φ130骨架縱筋數量為10條。
10)儲氣罐要求排污、排水和有安全閥。儲氣罐的報驗手續(含費用)由用戶負責。
11)除塵器滿足在線清灰、離線清灰、單獨倉室隔離檢修功能,不允許采用“箱式噴吹”的形式。進風閥為獨立結構,閥門采用法蘭連接。

圖八:脈沖除塵器
項目 | 特征值 | 備注 |
使用位置 | 主除塵器器 | |
設備數量 | 除塵器2臺,儲氣罐2臺 | |
濾袋規格 | Φ133*2500mm | |
骨架規格 | Φ130*2450mm | |
濾袋數量 | 480個 | |
總過濾面積 | 465㎡ | |
倉室數量 | 5個 | |
濾袋材質 | 覆膜滌綸三防針刺氈550g | |
設備使用溫度 | ≤120度 | |
處理風量 | 28000m³/h | |
設備阻力 | 1500-1700pa | |
設備工作壓力 | 5000pa | |
儲氣罐容積、數量 | 1m³,2個 | |
除塵器脈沖閥數量 | 25個 | |
脈沖閥直徑 | 1.5寸 | |
除塵器漏風量 | ≤2% | |
流通介質 | 常溫含氧化鎂粉塵煙氣 | |
入口含塵濃度 | ≤150g/Nm³ | |
出口含塵濃度 | ≤20mg/Nm³ | |
格式卸灰閥電機功率 | 1.1kw |
2.7 電子臺秤
1)臺秤四角配有可調節304材質秤腳,調節高度約 1~15mm;稱體面板花紋鋼板厚度5mm;加強筋選用14#槽鋼。2)配置高精度鋁合金專用稱重傳感器,傳感器選擇品牌廠家。
3)安全過載 150/%.FS;極限過載 200%.FS; 綜合誤差±0.02%.FS;工作溫度-30~+70℃;具有置零,扣重,計數,動物稱重功能和零位跟蹤功能。
4)顯示屏設計防水、防塵密封,嚴密灰塵介入。
5)儀表為交直流兩用型,帶可充電蓄電池,電瓶充足可連續使用不少于 20 小時。
6)帶有標準 RS232 接口,可以跟電腦通信,100%.FS 去皮,自動零點追蹤;IP65 五孔接線盒; 內置精密可調電路,用來調整每只傳感器之間的誤差。
7)就地顯示重量。
項目 | 特征值 | 備注 |
使用位置 | 成品倉下部 | |
設備數量 | 儲料倉下部 | |
規格型號 | 8臺 | |
臺面尺寸 | PFK989-E1500 不銹鋼 | |
稱量范圍 | 1250*1500 | |
可讀性重量 | 0-1.5噸 | |
誤差感量 | 2g |
2.8 格式給料機
項目 | 特征值 | 備注 |
使用位置 | 除塵器下部 | |
設備數量 | 6臺 | |
規格型號 | YZD10 | |
處理量 | 5T/h | |
電機功率 | 1.1kw | |
運行功率 | ||
進、出料口尺寸 | 240mm*240mm、240mm*240mm | |
傳動接方式 | 直連 | |
葉片材質 | 16Mn |
2.9 空氣炮
1)空氣炮開啟時間≤2秒;工作介質為壓縮空氣。2)空氣炮本體及附屬設備設計承壓能力不低于1.0MPa。
3)噴吹管、球閥、高壓金屬軟管、對絲、耐熱噴嘴采用304不銹鋼材質。
4)噴吹管口應與倉筒內壁斜交(方向向下),滿足滿焊要求。
5)空氣炮設計排污口。
6)所有組件均應有匹配標記,并配備組件對準所需器具。
7)二位二通氣動閥應安裝在緊靠氣缸進口的進氣管上。
8)電磁閥應采用防水型二位二通電磁閥產品,并應具有防鹽霧腐蝕功能。

圖九:空氣炮
9)脈沖儀控制
項目 | 特征值 | 備注 |
使用位置 | ||
設備數量 | ||
型號 | ||
工作類型 | ||
容量L | ||
工作溫度 | ||
工作壓力MPa | ||
沖擊力N |
2.10電動葫蘆
1)鋼絲繩懸掛式電纜必須以水平方向安裝,同時必須滿足從常溫到55℃的溫度變化引起的電纜變形。電纜采用耐高溫、阻燃型。2)電動葫蘆起升和行走采用雙速電動機,實現快慢速,保證起吊重物平穩升降和平移。
3)控制方式為遙控手柄為主,36V安全操作電壓,操作手柄帶緊急停車按鈕,在發生緊急情況時能通過急停按鈕斷開總電源;手柄電纜采用高強度電纜。開關選型按照ICS≥50KA。
4)廠家提供的電動葫蘆是一套完整設備,具體包括運行機構和提升機構的電機、減速機以及殼體、卷筒、鋼絲繩和導繩器、吊鉤、控制系統和安全防護裝置等附件。
5)卷筒筒體:單聯卷筒16錳材料卷制,短軸連接,標準繩槽,帶導繩器,保證鋼絲繩規則的導入卷筒。鋼絲繩選擇防纏繞鍍鋅材料。吊鉤配帶保險鎖。
6)配備起升限位開關、兩端的緩沖橡膠塊、高速旋轉部位設安全防護罩。
2.11雷蒙磨機(依據業主要求就地還是遠程,業主方普遍采用就地控制,預留遠程接口)
1)磨機底座風道采用圓弧形風道,氣流切向吹進,減小阻力,有利于物料的分散,不容易堵料。2)磨機底座采用整體鑄造結構,提高磨機穩定性及使用壽命。
3)磨粉機磨輥采用手動干油潤滑。設備冷卻方式不采用水冷。
4)磨粉機主電機、選粉機電機采用變頻調節,主風機及除塵器配套風機電機不采用變頻調節。
5)選粉機采用動靜組合式選粉機,葉片采用耐磨材料。
6)收集系統旋風集粉器板厚要求5mm以上,蝸殼切向進風內壁加焊Mn16內襯。
7)除塵器及離心風機制作及供貨廠家參照2.5和2.6條例具體要求。

圖十:雷蒙磨粉機
項目 | 特征值 | 備注 |
使用位置 | 細磨區域 | |
設備數量 | 2臺 | |
振動給料機 | ||
給料粒度(mm) | 電熔鎂和高純鎂<8mm | |
處理量(t/h) | 5-10t/h(臺) | |
雷蒙機 | ||
生產能力 | 2t/h | |
進料粒度 | 電熔鎂砂和高純鎂砂<8mm,堆積密度:2.5t/m³ | 前裝機供料 |
成品粒度 | 200目 | |
中心軸轉速 | 105-115r/min | |
磨輥尺寸 | φ406×280mm(直徑×高度) | |
磨環尺寸 | φ1270mm(內徑×高度) | |
磨輥數量 | 4 | |
機殼材質(底座) | ZG270-500,底座及回氣箱 | |
磨輥材質 | ZGMn13-2Cr | |
磨環材質 | ZGMn13-2Cr | |
主電機功率 | 裝機功率:90kW 軸功率:85kW | |
選粉機葉輪直徑 | φ1130mm | |
選粉機轉速 | 1480r/min(可調) | |
選粉機轉子材質 | 16Mn | |
選粉機電機功率 | 裝機功率:30kW 軸功率:kW | 變頻控制 |
旋風收集器 | ||
內徑 | 2×φ1400mm | |
分離效率 | 95% | |
殼體材質 | Q345,5mm | |
氣體切向入口尺寸 | Φ550mm | |
氣體出口尺寸 | Φ350mm | |
卸料口尺寸 | ||
格式卸料閥電機功率 | 裝機功率:2.2kW 軸功率:kW | |
主風機 | ||
傳動方式 | 皮帶傳動 | |
旋向角度 | 左194度 | |
風壓 | 5400Pa | |
風量 | 32200m3/h | |
轉速 | 1850r/min | |
葉片材質 | 16Mn | |
主軸材質 | 40Cr | |
殼體材質 | Q235B,5mm | |
風機電機功率 | 裝機功率:90kW 軸功率:kW | |
脈沖布袋收塵器 | ||
處理風量 | 4000-6000m3/h | |
出口含塵濃度 | <30mg/m³ | |
濾袋材質 | 覆膜滌綸三防針刺氈550mg | |
允許工作壓力 | 0.5-0.7 Pa | |
總過濾面積 | 60(㎡) | |
倉室數量 | 1個 | |
過濾風速 | 1.1-1.7(m/min) | |
濾袋規格 | Φ134×2000mm | |
袋籠規格 | Φ134×1950mm | |
脈沖閥直徑 | 1寸 | |
控制方式 | 脈沖儀控制 | |
配套風機電機功率 | 裝機功率:5.5kW 軸功率:kW | |
格式卸灰閥電機功率 | 裝機功率:2.2kW 軸功率:kW |
五、工程供貨、調試范圍及內容
以上就是兩套整套運行良好的成品鎂砂破碎生產線所需的設備,包括顎式破碎機、振動給料機、對輥破碎機、斗提機、直線振動篩、旋振篩、電子計量地稱、離心風機、除塵器、雷蒙磨機成套設備、空氣炮、電動葫蘆、手動閘板閥、格式給料機、工藝閥門、法蘭及預埋螺栓螺帽連接件及安裝附件等附屬設備,設備布置在鋼結構框架上,鋼結構(含鋼柱、鋼梁、鋼平臺、鋼爬梯、吊車梁、配套鋼構件等)、除塵通風管道、壓縮空氣管道、水管道等由廠家施工。廠家負責提供破碎及附屬系統范圍內(含配電室內配電和控制)所有電氣、儀表設備的供貨和調試。六、材料供應和管理
用戶供應材料:鋼板、管道。客戶自己負責購買的材料包括:安裝、試驗、檢測、探傷以及設備、罐槽、膠及粘結劑、設備調整墊片、M8以下螺栓、油漆(防銹、防腐油漆、面漆)、電纜橋架、接地鍍鋅扁鐵、鍍鋅管、電纜針型鼻等。
七、備品和備件
隨機備件清單(單獨包裝、標識)序號 | 設備名稱 | 名稱 | 規格型號 | 數量 |
1 | 直線振動篩 | 篩網 | 篩孔8*8mm | 8張 |
2 | 旋振篩 | 篩網 | 篩孔1*1mm | 8張 |
篩孔3*3mm | 6張 | |||
篩孔5*5mm | 6張 | |||
3 | 顎式破碎機 | 彈簧 | ||
肘板墊 | ||||
三角帶 | ||||
4 | 齒輥破碎機(1) | 輥子 | 1對 | |
5 | 齒輥破碎機(2) | 輥子 | 1對 | |
6 | 斗式提升機 | 減速電機 | Xx系列 | 臺 |
7 | 布袋除塵器 | 濾袋 | 條 | |
8 | 雷蒙磨機 | 磨輥 | 8個 | |
磨環 | 2個 | |||
鏟刀頭 | 8個 | |||
濾袋 | 80條 | |||
袋籠 | 80個 | |||
電磁脈沖閥 | 10個 |
電儀備件原則:備件應與設備上安裝的為相同型號,質保期內非甲方原因造成損壞的電氣、儀表設備(包括電機)由乙方免費更換。每2臺相同型號電動機備用1臺。
七、安裝范圍和要求
1、總則本次安裝范圍為成品破碎項目涉及到的設備安裝、管道敷設、電纜敷設、非標制作、防腐。主要包括主/輔機設備、工藝管道、電氣系統、油系統等及工程內的管道、閥門、橋架、支吊架、電纜敷設等附屬設備的安裝。
2、工藝設備相關
1)非標制作:包括設備鋼結構平臺、蓋板、料斗、溜槽、料倉、支吊架、防塵罩、防護裝置的制作安裝。
2)油系統:液壓油、變壓器油、潤滑站等油站的注油、濾油及濾材和化驗。
3)防腐:安裝范圍內的設備、鋼構件、管道(含地埋管)的除銹、油漆、防腐,安裝后的最后一道面漆或設備、管道補漆。
4)管道清理:壓縮空氣、水管道由乙方人員組織吹掃、沖洗、打壓試驗、解列和恢復。
5)設備、管道、電纜管的穿墻、開溝、回填、樓板孔的開鑿、路面破除屬安裝范圍之內(遵循誰使用,誰開孔;誰開孔,誰封堵的原則)。
6)本項目的水、電、壓縮空氣、電纜橋架等銜接都在安裝范圍內。
7)壓力容器和壓力管道開工許可、監檢和使用證的取得(含費用)全部在安裝范圍內。
8)設備基礎一、二次灌漿均不在本次安裝范圍內,設備具備灌漿條件后用戶書面通知廠方,用戶技術人員監督灌漿工作并驗收。
9)設備操作、檢修、工藝管道上操作需要的鋼平臺及土建圖紙范圍內的鋼平臺包含在安裝范圍內(除混凝土結構上的欄桿、混凝土結構至混凝土結構的樓梯不在本次安裝范圍內)。
3、性能指標
3.1 產量指標:本項目為兩條相同工藝路線和設備,依據作業時間12h/天,每條生產線產量200噸/天,穩定運行;
3.2 產品粒徑滿足尺寸要求;
3.3 除塵器尾氣含塵量≤30mg/m3。
4、性能測試程序
測試分析方法和程序為:在系統試運行和以后的正常生產中,雙方建立一套雙方都接受的工作程序記錄和所有相關的操作和檢驗數據記錄。在此期間,當記錄表明試運行的生產能力已達到要求,且已連續了72h,同時產品規格、尾氣含塵量都已達到本技術協議規定,即認為施工方已達到指標。
5、性能考核(兩條生產線分別以電熔鎂砂、高純鎂砂作為性能考核用原料)
5.1 如果在考核期內裝置系統不能達到產能指標400t/d(200t/d×2套)的要求,那么用戶將按以下比率進行考核:
產能占產量百分比 | 95%~97% | 90%~95% | ≤90% |
考核占合同額比例% | 1 | 3 | 5 |
6、布袋除塵器排放的尾氣含塵量≤30mg/m3,尾氣含塵量每高于5mg/m3扣除合同額的1%,以此類推。
本文原創來源:上海恒源冶金設備有限公司官方網站www.zkfg.net.cn,轉載請注明文章出處!
公 司 簡 介
工 廠 實 景
歡迎您來工廠參觀訪問
返回首頁
習近平親自“驗收”祁連山砂石礦生態修復等工作
2019-08-25
顎式破碎機生產時粉塵大的原因及解決方法
2023-05-07
是金子總會發光的,建筑垃圾也發光了,移動破碎機,讓建筑垃圾煥發第二春
2019-08-30
【破碎機廠家】圓錐破碎機是否能夠破碎電石?下面我們一起來揭曉答案!
2019-08-05
注意!違規海砂已經進入安徽河南交界地區.
2019-11-01
顎式破碎機日常保養步驟
2023-06-16
【恒源礦山設備】選礦行業的“春天”在哪里,在綠色礦山和綠色礦業方面取得成果
2019-07-26
顎式破碎機多方位解讀
2019-08-28
機制砂生產線的布局應遵循這四個原則,以提高生產效率。
2019-11-01
圓錐破碎機易損件有哪些
2024-05-10
為了緩解砂石供需矛盾,河南政府帶頭推廣機制砂應用!
2019-08-25
遼寧時產600噸鐵礦石選礦生產線破碎設備試機成功
2020-03-07
探索圓錐破碎機領域的"新秘密"_恒源冶金設備
2019-07-29
全面解析小型制砂生產線整套設備配置與優化指南
2024-11-18
顎式破碎機如何清洗?
2023-05-06
破碎生產線中到底選擇圓錐破還是反擊破作為二級破碎設備?
2019-12-23
粉碎機廠家面臨的問題
2019-05-10
5R磨粉機設備發貨實況-恒源·中國
2019-05-12
圓錐破碎機優勢突出前景廣闊,正在向智能化目
2019-05-12
反擊式破碎機:中硬度物料破碎的首選
2025-03-12