顎式破碎機規格型號及技術參數詳細說明

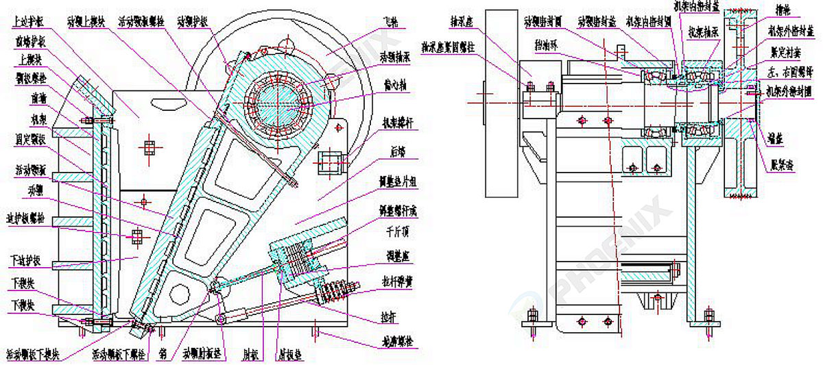
圖一:顎式破碎機結構圖
顎式破碎機的結構如圖一所示,顎式破碎機工作原理:當顎破設備工作時,飛輪8帶動偏心軸6轉動,由于偏心軸的偏心作用,懸掛在它上邊的動顎7在肘板4的制約下,相對于固定顎板往復地做一種復合擺動運動。當活動顎板3靠近固定顎板2時,物料被擠壓破碎。在破碎過程中,當動顎被擺動至前方時,拉桿10末端的彈簧9即受壓縮,由于彈簧企圖恢復原狀,因此可以幫助動顎后退至原來位置。水平拉桿的作用還在于阻止當可動顎板作返回運動時肘板4不致脫落。
以上是顎破基本工作原理,那么顎破的型號有很多,先來介紹一下PE600*900顎式破碎機的一些基本資料:

圖二:PE600*900顎式破碎機結構圖

圖三:PE750*1060顎式破碎機結構圖

圖四:PEX顎式破碎機結構圖
1、PE600*900以下顎式破碎機
機器型號 |
PE-150*250H |
PE-150*250Z |
PE-250*400 |
PE-250*400Z |
PE-250*500H |
PE-400*600 |
PE-400*600Z |
PE-500*750 |
PE-600*900 |
2、PE750*1060以上顎式破碎機
機器型號 |
PE-750*1060 |
PE-800*1060 |
PE-870*1060 |
PE-900*1200 |
PE-1000*1200 |
PE-1200*1500 |
PE-1500*1800 |
3、PEX系列顎式破碎機
機器型號 |
PEX-150*750H |
PEX-150*750Z |
PEX-250*750 Z |
PEX-250 *750H |
PEX-250*1000 |
PEX-250*1200 |
PEX-300*1300 |
PE系列鄂破(PE690以下) | ||
機器型號 | 最小排料口 | 水平位移 (mm) |
PE-150*250 | 10 | 10 |
PE-250*400 | 20 | 15.5 |
PE-250*500H | 20 | 15.5 |
PE-400*600 | 40 | 23 |
PE-500*750 | 50 | 28 |
PE-600*900Ⅵ | 65 | 32.5 |
PE系列鄂破(PE750以上) | ||
機器型號 | 最小排料口 | 水平位移 (mm) |
PE-750*1060 | 80 | 39 |
PE-800*1060 | 100 | 41.5 |
PE-870*1060 | 200 | 45 |
PE-900*1200 | 100 | 46 |
PE-1000*1200 | 195 | 50 |
PE-1200*1500 | 150 | 58.6 |
PE-1500*1800 | 220 | 71 |
PEX系列鄂破 | ||
機器型號 | 最小排料口 | 水平位移 (mm) |
PEX-150*750 | 18 | 10 |
PEX-250*750 | 25 | 15.5 |
PEX-250*1000 | 25 | 15.5 |
PEX-250*1200 | 25 | 15.5 |
PEX-300*1300 | 20 | 18 |

2、PEX系列顎式破碎機技術參數:

PE系列顎破排料口與生產能力及排料粒度對應參考表
PE-150×250 | |||
排料口寬度b(mm) | 生產能力Q(t/h) | 最大粒度dmax(mm) | 粒度比K(d/b) |
10 | 0.69 | 24 | 2.40 |
20 | 2.1 | 31 | 1.55 |
30 | 3.5 | 38 | 1.27 |
40 | 4.9 | 57 | 1.43 |
PE-250×400 | |||
排料口寬度b(mm) | 生產能力Q(t/h) | 最大粒度dmax(mm) | 粒度比K(d/b) |
20 | 4.2 | 34 | 1.70 |
30 | 7.6 | 41 | 1.37 |
40 | 11 | 47 | 1.18 |
50 | 14.5 | 54 | 1.08 |
60 | 18 | 61 | 1.02 |
70 | 21 | 97 | 1.39 |
80 | 25 | 107 | 1.34 |
PE-400×600 | |||
排料口寬度b(mm) | 生產能力Q(t/h) | 最大粒度dmax(mm) | 粒度比K(d/b) |
40 | 18 | 59 | 1.48 |
50 | 24.3 | 67 | 1.34 |
60 | 31 | 75 | 1.25 |
70 | 37 | 82 | 1.17 |
80 | 43.2 | 113 | 1.41 |
90 | 50 | 123 | 1.37 |
100 | 64 | 132 | 1.32 |
PE-500×750 | |||
排料口寬度b(mm) | 生產能力Q(t/h) | 最大粒度dmax(mm) | 粒度比K(d/b) |
50 | 38.3 | 75 | 1.50 |
60 | 49 | 81 | 1.35 |
70 | 60 | 88 | 1.26 |
80 | 70 | 94 | 1.18 |
90 | 81 | 101 | 1.12 |
100 | 100 | 107 | 1.07 |
PE-600×900 | |||
排料口寬度b(mm) | 生產能力Q(t/h) | 最大粒度dmax(mm) | 粒度比K(d/b) |
65 | 60.5 | 87 | 1.34 |
85 | 85.3 | 100 | 1.18 |
105 | 110 | 113 | 1.08 |
135 | 147.4 | 190 | 1.41 |
160 | 178 | 215 | 1.34 |
PE-750×1060 | |||
排料口寬度b(mm) | 生產能力Q(t/h) | 最大粒度dmax(mm) | 粒度比K(d/b) |
80 | 101.5 | 120 | 1.50 |
90 | 118 | 126 | 1.40 |
100 | 135 | 133 | 1.33 |
110 | 152 | 139 | 1.26 |
120 | 169 | 146 | 1.22 |
130 | 185.5 | 152 | 1.17 |
140 | 202 | 159 | 1.14 |
PE-800×1060 | |||
排料口寬度b(mm) | 生產能力Q(t/h) | 最大粒度dmax(mm) | 粒度比K(d/b) |
100 | 140 | 133 | 1.33 |
110 | 158 | 139 | 1.26 |
120 | 176 | 146 | 1.22 |
140 | 212 | 159 | 1.14 |
150 | 229 | 166 | 1.11 |
160 | 247 | 172 | 1.08 |
PE-870×1060 | |||
排料口寬度b(mm) | 生產能力Q(t/h) | 最大粒度dmax(mm) | 粒度比K(d/b) |
200 | 339 | 285 | 1.43 |
210 | 358 | 294 | 1.4 |
220 | 377 | 304 | 1.38 |
230 | 396 | 314 | 1.37 |
240 | 415 | 324 | 1.35 |
250 | 434 | 333 | 1.33 |
260 | 453 | 343 | 1.32 |
PE-900×1200 | |||
排料口寬度b(mm) | 生產能力Q(t/h) | 最大粒度dmax(mm) | 粒度比K(d/b) |
100 | 156.7 | 137 | 1.37 |
120 | 197.4 | 152 | 1.27 |
140 | 238 | 167 | 1.19 |
160 | 278.7 | 228 | 1.43 |
180 | 319.4 | 248 | 1.38 |
200 | 360 | 267 | 1.34 |
PE-1000×1200 | |||
排料口寬度b(mm) | 生產能力Q(t/h) | 最大粒度dmax(mm) | 粒度比K(d/b) |
195 | 378 | 262 | 1.34 |
200 | 389 | 267 | 1.34 |
205 | 400 | 272 | 1.33 |
210 | 411 | 277 | 1.32 |
215 | 422 | 282 | 1.31 |
220 | 433 | 287 | 1.30 |
225 | 445 | 292 | 1.30 |
230 | 456 | 296 | 1.29 |
235 | 467 | 301 | 1.28 |
240 | 478 | 306 | 1.28 |
245 | 489 | 311 | 1.27 |
250 | 500 | 316 | 1.26 |
255 | 511 | 321 | 1.26 |
260 | 523 | 326 | 1.25 |
265 | 533 | 331 | 1.25 |
PE-1200×1500 | |||
排料口寬度b(mm) | 生產能力Q(t/h) | 最大粒度dmax(mm) | 粒度比K(d/b) |
150 | 302 | 205 | 1.37 |
160 | 327 | 213 | 1.33 |
170 | 352 | 220 | 1.29 |
180 | 377 | 228 | 1.27 |
190 | 402 | 236 | 1.24 |
200 | 427 | 243 | 1.22 |
210 | 452 | 251 | 1.2 |
220 | 477 | 258 | 1.17 |
230 | 502 | 333 | 1.45 |
240 | 527 | 342 | 1.43 |
250 | 552 | 352 | 1.41 |
270 | 603 | 371 | 1.37 |
280 | 628 | 381 | 1.36 |
300 | 678 | 400 | 1.33 |
320 | 728. | 420 | 1.31 |
350 | 803 | 449 | 1.28 |
PE-1500×1800 | |||
排料口寬度b(mm) | 生產能力Q(t/h) | 最大粒度dmax(mm) | 粒度比K(d/b) |
220 | 688 | 260 | 1.18 |
225 | 706 | 330 | 1.47 |
230 | 725 | 335 | 1.46 |
235 | 743 | 339 | 1.44 |
240 | 762 | 344 | 1.43 |
245 | 781 | 349 | 1.42 |
250 | 800 | 354 | 1.42 |
260 | 836 | 363 | 1.4 |
270 | 874 | 373 | 1.38 |
280 | 911 | 383 | 1.37 |
290 | 948 | 392 | 1.35 |
300 | 986 | 402 | 1.34 |
310 | 1023 | 412 | 1.33 |
320 | 1060 | 421 | 1.32 |
330 | 1097 | 431 | 1.31 |
340 | 1135 | 441 | 1.30 |
350 | 1172 | 451 | 1.29 |

圖五:PE顎式破碎機
PEX-250×750 | |||
排料口寬度b(mm) | 生產能力Q(t/h) | 最大粒度dmax(mm) | 粒度比K(d/b) |
25 | 12.8 | 50.7 | 2.03 |
35 | 19.2 | 57.2 | 1.63 |
45 | 25.6 | 64.1 | 1.42 |
60 | 35.2 | 74.8 | 1.25 |
PEX-250×1000 | |||
排料口寬度b(mm) | 生產能力Q(t/h) | 最大粒度dmax(mm) | 粒度比K(d/b) |
25 | 16 | 51.2 | 2.05 |
35 | 26.1 | 57.7 | 1.65 |
45 | 36.1 | 64.5 | 1.43 |
60 | 51.2 | 75.2 | 1.25 |
PEX-250×1200 | |||
排料口寬度b(mm) | 生產能力Q(t/h) | 最大粒度dmax(mm) | 粒度比K(d/b) |
25 | 20 | 51.2 | 2.05 |
35 | 31.4 | 57.7 | 1.65 |
45 | 42.8 | 64.5 | 1.43 |
60 | 60 | 75.2 | 1.25 |
PEX-300×1300 | |||
排料口寬度b(mm) | 生產能力Q(t/h) | 最大粒度dmax(mm) | 粒度比K(d/b) |
20 | 20 | 48.2 | 2.41 |
40 | 36.7 | 61.1 | 1.53 |
60 | 53.4 | 75.2 | 1.25 |
80 | 70.1 | 89.9 | 1.12 |
104 | 90 | 108.0 | 1.04 |

圖六:PEX顎式破碎機
PE型號顎破皮帶型號參數表
機器型號 |
皮帶型號 |
尺寸/數量 |
PE-150*250 |
B |
3150/5根 |
PE-250*400 |
C |
4572/5根 |
PE-400*600 |
C |
5000/8根 |
PE-500*750 |
D |
5600/7根 |
PE-600*900 |
D |
7100/5根 |
PE-750*1060 |
SPC |
9000/8根 |
PE-800*1060 |
SPC |
9000/8根 |
PE-870*1060 |
SPC |
9000/8根 |
PE-900*1200 |
SPC |
9500/10根 |
PE-1000*1200 |
SPC |
9500/10根 |
PE-1200*1500 |
25J |
LD-10800聯組帶/三聯組2根二聯組1根 |
PE-1500*1800 |
25J |
LD-12700聯組帶/三聯組4根 |
PEX型號顎破皮帶型號表
機器型號 |
皮帶型號 |
尺寸/數量 |
PEX-150*750 |
C |
4500/5根 |
PEX-250*750 |
D |
4000/4根 |
PEX-250*1000 |
D |
4500/5根 |
PEX-250*1200 |
D |
5000/5根 |
PEX-300*1300 |
E |
5600/5根 |
1、PE系列顎破軸承技術參數表(690以下)
機器型號 | 動顎軸承 | 數量 | 機架軸承 | 數量 |
PE-150*250H | 22218 | 2 | 22213 | 2 |
PE-150*250 | 22218 | 2 | 22213 | 2 |
PE-250*400 | 22328 | 2 | 22328 | 2 |
PE-250*400Z | 22328 | 2 | 22328 | 2 |
PE-250*500H | 22330/W33 | 2 | 22330/W33 | 2 |
PE-400*600 | 22338CA | 2 | 22338CA | 2 |
PE-400*600Z | 22338CA | 2 | 22338CA | 2 |
PE-500*750 | 23148CA/W33 | 2 | 23148CA/W33 | 2 |
PE-600*900 | 23148CA/W33 | 2 | 23148CAK/W33 | 2 |
2、PE系列顎破軸承技術參數表(750以上)
機器型號 | 動顎軸承 | 數量 | 機架軸承 | 數量 |
PE-750*1060 | 23176CA/W33 | 2 | 23176CAK/W33 | 2 |
PE-800*1060 | 23176CA/W33 | 2 | 23176CAK/W33 | 2 |
PE-870*1060 | 23176CA/W33 | 2 | 23176CAK/W33 | 2 |
PE-900*1200 | 23180CA/W33 | 2 | 23180CA/W33 | 2 |
PE-1000*1200 | 23180CA/W33 | 2 | 23180CA/W33 | 2 |
PE-1200*1500 | 231/500CA/W33 | 2 | 231/500CAK/W33 | 2 |
PE-1500*1800 | 241/560EC/W33 | 2 | 241/560ECK/W33 | 2 |
機器型號 | 動顎軸承 | 數量 | 機架軸承 | 數量 |
PEX-150*750H | 23136 | 2 | 23136 | 2 |
PEX-150*750Z | 23136 | 2 | 23136 | 2 |
PEX-250*750 Z | 22238CA | 2 | 22238CA | 2 |
PEX-250 *750H | 22238CA | 2 | 22238CA | 2 |
PEX-250*1000 | 22238CA | 2 | 22238CA | 2 |
PEX-250*1200 | 22240CA/W33 | 2 | 22240CAK/W33 | 2 |
PEX-300*1300 | 22344CA/W33 | 2 | 22344CAK/W33+AH2344 | 2 |
以上就是完整的整套PE系列、PEX系列顎式破碎機的工作原理、結構圖、規格型號技術參數,包括顎破排料口生產能力及排料口粒度對應技術參數、各種型號顎破的皮帶規格型號、顎破動顎軸承規格型號、數量等技術資料,希望對用戶有所幫助。有很多客戶會問一臺顎破多少錢?每個廠家的報價要按照當時原材料的價格核算,顎式破碎機價格一直在起伏變化的,因此可以咨詢本司銷售人員獲得最新實時價格。友情提醒:如需購買顎破,請從正規廠家購買,以獲得無憂的售后保障。
返回首頁
淺談礦山破碎機械設備物料破碎機的階段及分類
2019-05-10
鐵礦生產線利器-單缸圓錐破發貨集錦
2020-04-07
時產500t石灰石破碎生產線籌建試運行
2020-09-03
使用破碎機需要做好日常維護
2019-05-12
怎樣提高錘式破碎機的錘頭壽命?教你幾招簡單實用的方法
2019-08-28
破碎機生銹怎么辦?
2023-05-05
我國限制7類金礦選礦開采項目
2019-05-10
齒輥式破碎機配合水泥立磨在水泥中的應用
2019-09-05
技術篇|多缸圓錐破碎機振動噪聲過大及回油溫度高怎么回事!
2019-11-16
砂價格上漲,機制砂生產線必須加大力度!實用全面的規范化設計來了,快收藏起來!
2019-08-25
砂石生產線設備發貨實況-恒源·中國
2019-05-21
顎式破碎機現場工作視頻
2020-04-07
磨粉機工作原理動畫
2023-03-05
【破碎機襯板】鄂式破碎機襯板的主要功能,保養措施,以及詳細說明
2019-08-15
時產300噸花崗巖石料生產線成套設備價格解析
2025-01-02
皮帶輸送機皮帶跑偏演示動畫
2023-05-13
【破碎機廠家】機制砂生產:需要設備和原材料的要求
2019-08-25
石灰石制砂生產線有哪些配置方案
2024-10-01
上海恒源冶金設備有限公司搬遷公告
2019-05-12
反擊式破碎機使用過程中突然停止工作該怎么辦?
2020-09-15