復合圓錐破碎機安裝時要注意哪些事項?
圓錐破碎機型號、規格很多,按原理和結構不同,一般可以分為:復合型圓錐破碎機(也叫液壓型)、彈簧型圓錐破碎機、多缸圓錐破、單缸圓錐破等型號,各個生產廠家對規格的定義叫法也不同,但其工作原理基本都類似,就是尺寸上有點不同罷了。

復合圓錐破碎機
今天本站給大家分享一下復合圓錐破碎機安裝資料,內容包括七個方面:安裝前的基礎設計、安裝預留空間尺寸注意事項、圓錐破各部件重量參數、圓錐破安裝維護所需起重吊機種類、圓錐破進料口裝置安裝和排料口裝置安裝注意事項,詳細如下:
一、安裝前的基礎設計
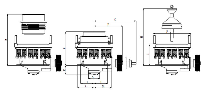
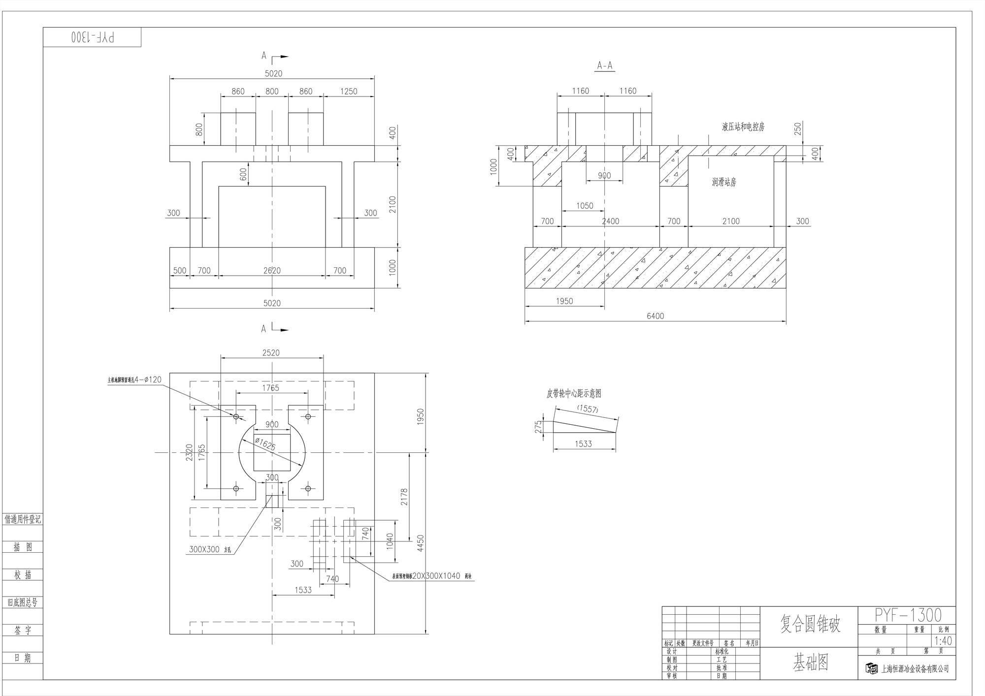
圓錐破碎機在工作時振動頻率很快、很高,因此需要設計一個具有相當大小適合的基礎,不僅要有足夠的空間,而且需要規劃一個經久耐用并且堅固的基礎來保障設備后期的正常運行,破碎機外形尺寸是基礎結構要考慮的主要參數(見圖一:復合圓錐破碎機外形圖,表一:外形尺寸表)。廠家在出售圓錐破時,隨機會提供給用戶一個基礎施工圖,以便用戶在基礎施工時可以參考。但在基礎實際施工時,還是要根據自身場地來作適當的調整,不能完全照搬,基礎設計的合理對圓錐破碎機后期成功運轉是極其重要的一個步驟,一定要慎重周密的考慮(見圖二:復合圓錐破基礎圖)。

圖一:復合圓錐破碎機外形圖
表一:復合圓錐破碎機外形尺寸表
標準型和 短頭型 | 圓錐破碎機規格 | PYF-600 | PYF-900 | PYF-1300 | PYF-1600 | PYF-2100 | |
破碎機中心線至機架法蘭 | A | 685 | 840 | 1020 | 1450 | 1655 | |
破碎機中心線至傳動軸架法蘭面 | B | 660 | 890 | 1120 | 1400 | 1780 | |
拆卸傳動軸架部所需水平空間 | C | 2010 | 2515 | 2900 | 3510 | 4320 | |
破碎機中心線至傳動軸外端面 | D | 1550 | 1860 | 2050 | 2465 | 2975 | |
機架基面至底蓋最低點 | E | 355 | 460 | 640 | 815 | 1050 | |
支承套最大直徑 | F | 1450 | 2010 | 2500 | 3280 | 4270 | |
底蓋直徑 | G | 430 | 560 | 690 | 815 | 915 | |
拆卸破碎錐所需空間高度 | H | 2135 | 2800 | 3530 | 4270 | 5465 | |
地腳螺釘位置尺寸 | J | 495 | 660 | 883 | 1130 | 1245 | |
機架基面至給料斗頂部 | K | 1195 | 1730 | 2300 | 2690 | 3300 | |
機架基面至支承套頂部 | L | 865 | 1070 | 1320 | 1550 | 1960 | |
拆卸調整套所需空間高度 | M | 1625 | 2390 | 3320 | 3810 | 4780 |

圖二:復合圓錐破碎機基礎圖
二、安裝預留空間尺寸注意事項
1、首先要在圓錐破上方留有足夠的空間,以便可以拆卸圓錐破和調整套部件,方便后期的維護和更換;
2、在基礎的一側,要預留出一定的空間,以便能方便的拆卸圓錐破傳動軸部件;
3、在圓錐破上方45°—60°方向,應考慮給料裝置所需的空間,比如溜槽、給料漏斗及其它輔助設備所需的空間;
4、在圓錐破排料口下方,應預留一定空間,以便安裝排料口裝置、排料輸送機及其它相關設備。
以上幾點注意事項的依據可以參考廠家提供的設備外形圖和基礎圖(見圖一、圖二)
四、圓錐破各部件重量參數
下面表二就是恒源PYF復合圓錐破碎機各部件的重量表,該表給出了整臺圓錐破部件的重量和需要經常吊裝的部件重量,以供用戶參考,以便可以計算出所要求的起重設備規格,包括所用的鋼絲繩、吊鉤和吊具等型號規格。
表二:PYF1300圓錐破部件重量表
注:因鑄件重量差異,表列重量會有±5%的誤差
圓錐破本體和 需要經常吊裝的部件重量 |
標準型圓錐破碎機(kg) | 短頭型圓錐破碎機(kg) |
圓錐破碎機本體重量 | 22460 | 22590 |
主機架、支承套、彈簧、偏心套、碗形軸承架、傳動、破碎機皮帶輪 | 13930 | 13930 |
主機架、支承套、彈簧 | 10980 | 10980 |
主機架(含機架底蓋、機架襯套和機架襯) | 5490 | 5490 |
調整套、軋臼壁 | 4900 | 4350 |
軀體、主軸和破碎壁 | 3630 | 4310 |
傳動軸架、傳動軸和破碎機皮帶輪 | 1270 | 1270 |
偏心套部 | 1050 | 1050 |
碗形軸承架 | 640 | 640 |
破碎壁 | 770 | 590 |
軋臼壁 | 910 | 680 |
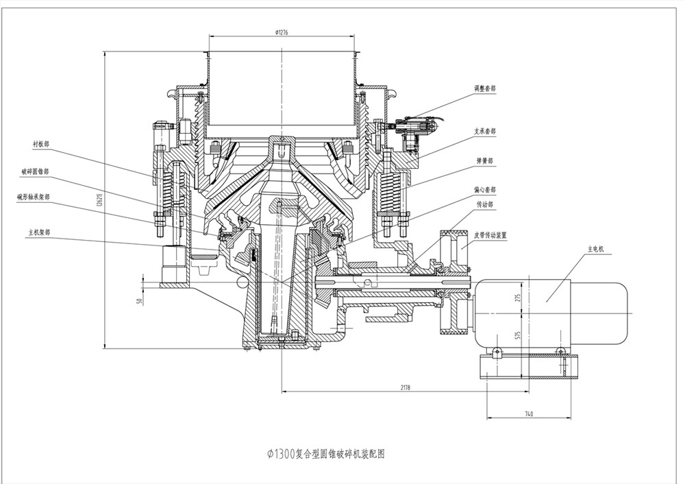
同時,技術人員也給出了復合圓錐破的裝配圖(見下面圖三),以便用戶在裝配設備時可以參考圓錐破內部結構。

圖三:復合圓錐破碎機裝配圖
五、圓錐破及各部件安裝維護所需的起重吊機種類
圓錐破在安裝或更換破碎襯板或其它磨損件時,需要經常使用吊機(起重設備),常見的有橋式起重機、輪胎式起重機、軌道式移動起重機或吊鏈電動葫蘆等設備,因此在設計基礎和設備上方起重設備時,必須要考慮圓錐破各部件的重量要在起重范圍以內,不得超過起重設備的最大起重負荷。

六、圓錐破進料口裝置安裝注意事項
1、進料口安裝注意事項
(1)在圓錐破上方安裝有一個合理高效的給料裝置,對于破碎機能否高效運行起到至關重要的作用。如果給料量合適,能夠實現把料均勻布滿整個圓錐破破碎腔,機器就能實現最高效率;而且在設備維護檢修時,給料裝置的安裝結構要便于拆卸,因此參照基礎圖和外形圖要合理的設計入料裝置。
(2)在給料時,給料裝置能使細料和粗料的偏析(大小不一)保持在最低程度,以最大限度地延長圓錐破襯板的使用壽命,也能使單位能量消耗降到最低。
(3)條件允許的情況下,在圓錐破的前面設置一臺振動篩,以便從破碎的物料中篩去細料和粘性物料,能避免物料夯實造成排礦口堵塞和彈簧過分壓縮,造成破碎機頻繁超載,破碎效率降低。
(4)裝上一臺金屬探測器,以便揀出鐵塊之類的不可破異物,這些不可破異物會引起支承套跳動,頻繁過鐵或超載,會導致彈簧頻繁動作,還使彈簧過早失效。
在給料裝置圖(圖四)中,給出了正確的和不正確的給料方法和給料箱結構

2、如圖所示,兩種給料結構方式造成的不同結果如下:
(1)給料偏向給礦口上側,造成布料不均勻,布料不均勻的后果是:降低圓錐破的生產能力;產品粒度過大;支承套跳動過大;軸承負荷過大;單位產品功耗過大。
(2)給料沿破碎腔四周均勻分布,布料均勻的好處是:破碎機能發揮出其最大生產能力;產品粒度很均勻;支承套不跳動,偶爾跳動也很??;軸承負荷??;功耗消耗最低。
七、圓錐破排料口裝置安裝注意事項
1、一般情況下,圓錐破排料口裝置需要用戶自己按照現場安裝條件的變化而自行設計,但其機構應符合廠家提供的基礎圖要求;
2、排料口裝置一般可采用金屬也可以用木頭制作;
3、排料室必須留有檢查門,以便讓維護人員進入排料室進行清掃或檢修用;
4、排料室由室壁和擱板組成,其作用是讓已破碎物料落在那兒形成“礦墊”,承受下落礦石的碰撞,在物料落到運輸設備前,吸收下落礦物的大部分沖擊力,有利于延長輸送設備的壽命;
5、采用排料溜槽時,溜槽與水平面的夾角必須大于45°,在物料非常粘時,該傾角還要適當加大;
6、在機架底蓋和排料室底部間以及排料口或溜槽與運輸皮帶或運輸提升裝置間要留有足夠空間。這些空間將保證破碎產品暢通無阻地排出,防止排料在軀體下方堵塞,形成堆積,影響破碎機正常工作。
好了,以上就是本廠技術人員總結整理的復合圓錐破碎機安裝時需要注意的七大事項,如果您對圓錐破碎機及其它相關產品有更多疑問,可以撥打本公司服務熱線或在網站留言,歡迎您和我們交流破碎機的技術問題。
破碎機導購提醒:請從正規廠家購買設備,以便您在使用過程中得到優質的售后服務。
好了,以上就是本廠技術人員總結整理的復合圓錐破碎機安裝時需要注意的七大事項,如果您對圓錐破碎機及其它相關產品有更多疑問,可以撥打本公司服務熱線或在網站留言,歡迎您和我們交流破碎機的技術問題。
破碎機導購提醒:請從正規廠家購買設備,以便您在使用過程中得到優質的售后服務。
上海恒源冶金設備有限公司簡介
上海恒源冶金設備有限公司自成立以來,一直專注于破碎機設備的研發、生產與銷售,公司主營產品有圓錐破碎機、反擊式破碎機、制砂機、磨粉設備、輸送篩分設備及其配套備件等。位于江蘇啟東濱海工業園區的六萬平米大型礦機生產基地,具備先進的數控加工設備和產品質檢檢測儀器,設備精度高、速度快,具有較強的生產能力,歡迎廣大客戶前來實地工廠考察或官網咨詢,期待能與您長期合作,一起攜手共贏!
設備價格咨詢和采購途徑:
恒源官網:www.zkfg.net.cn
服務電話:網站首頁或“聯系我們”中的聯系方式。
歡迎您來工廠參觀訪問
歡迎新老客戶致電,預約參觀,我們將為您提供完善的磨粉、碎石、制砂、礦石生產線成套設備解決方案,讓專業的人做專業的事,讓您我一起攜手,共贏未來!
返回首頁
圓錐破碎機在砂石骨料生產線中的應用
2024-09-08
文中分享機制砂石石料生產流水線的機器設備電機選型及設計方案關鍵點
2019-11-29
實現資源綜合利用勢在必行迫在眉睫
2019-07-26
【制砂機廠家】機制砂強硬崛起,混凝土性能和機制砂的特點有什么關系,影響?
2019-07-31
河南客戶擺式磨粉機發貨實況回顧
2019-11-02
【砂石價格】砂石價格持續上漲!回收利用的制砂廠都賺翻了!
2019-10-14
說說破碎機錘頭有哪些類型?并且哪一個錘頭是最耐磨的?
2019-09-12
上海恒源路橋集團放假安排
2025-09-30
開辦石子加工廠需要用哪些破碎機?
2024-09-21
恒源反擊破碎機和沖擊式破碎機的發展歷程
2019-05-10
冬季圓錐破碎機潤滑油的更換
2019-05-12
時產50-70噸破碎篩分成套生產線設計方案與說明
2020-03-12
2019上海破碎機行業面臨新挑戰,新機遇
2019-05-10
200噸凝灰巖生產線需要哪些破碎設備?附型號和價格
2020-04-28
時產300-500立方砂石生產線工藝流程及配置方案
2020-05-04
水泥塊破碎機都有哪些設備?全面解析與高效配置指南
2025-02-25
碎石機價格,達到時產量三百噸左右的細砂碎石機在哪里?
2020-04-28
恒源碎石機設備碎石生產線實現石料粉碎加工,滿足不同的加工需求
2019-07-17
圓錐破碎機設備使用中的幾大優勢
2019-05-12
大型石頭破碎設備日常運行的禁忌清單:確保生產安全與效率
2024-11-02